MODUL 4 - FILTER
Modul 4
MODUL 4
1. Mengetahui prinsip kerja LPF (Low Pass Filter)
2. Mengetahui prinsip kerja HPF (High Pass Filter)
3. Mengetahui prinsip kerja Mutual InductanceA. Alat
Rangkaian filter adalah suatu rangkaian listrik yang berfumgsi untuk melewatkan sinyal listrik dengan rentang frekuensi tertentu. Apabila terdapat sinyal listrik yang tidak sesuai dengan frekuensi yang diinginkan maka sinyal listrik tersebut tidak akan dilewatkan. Rangkaian filter dapat diaplikasikan secara luas, baik untuk menyaring sinyal pada frekuensi rendah, frekuensi tinggi, atau pada frekuensi-frekuensi tertentu.
Rangkaian filter dapat dikelompokkan menjadi filter pasif dan filter aktif, tergantung dari komponen yang digunakan. Apabila menggunakan komponen aktif, seperti transistor dan dioda maka dinamakan filter aktif. Sementara jika menggunakan komponen pasif seperti induktor, resistor, dan kapasitor maka dinamakan filter pasif.
Berdasarkan respon frekuensi, rangkaian filter dapat dikelompokkan menjadi:
1. LPF (Low Pass Filter)
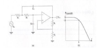
Low pass filter (LPF) merupakan jenis filter yang berfungsi untuk meneruskan sinyal listrik yang frekuensinya berada dibawah frekuensi tertentu, diatas frekuensi tersebut (frekuensi cut off) maka sinyal akan diredam. Low pass filter memberikan redaman yang sangat kecil pada frekuensi di bawah frekuensi cut-off yang telah ditentukan, sedangkan frekuensi di atas frekuensi cut-off akan mendapatkanredaman yang sangat besar. Lebih sederhananya hanya frekuensi rendah saja yang dapat melewati rangkaian filter ini.
Gambar 4.1 Rangkaian LPF dan Grafik Respon Frekuensi LPF
Frekuensi cut-off (fc) dari Low Pass Filter (LPF) dengan RC dapat dituliskan dalam persamaan matematik sebagai berikut.
Tegangan output (Vout) filter pasif LPF seperti terlihat pada rangkaian diatas dapat diekspresikan dalam persamaan matematis sebagai berikut.
2. HPF (High Pass Filter)
High pass filter (HPF) berfungsi untuk meneruskan sinyal di atas frekuensi cut off sedangkan yang berada dibawah frekuensi cut off diredam. Jenis filter ini memberikan redaman sangat kecil pada frekuensi di atas frekuensi cut-off yang telah ditentukan, sedangkan frekuensi di bawah frekuensi cut-off akan mendapatkan redaman yang sangat besar. Lebih sederhananya, hanya frekuensi tinggi saja yang dapat melewati rangkaian filter ini.
Gambar 4.2 Rangkaian HPF dan Grafik Respon Frekuensi HPF











Komentar
Posting Komentar