2.4 Parallel and Series-Parallel Configurations
Paralel dan seri paralel konfigurasi, merupakan perluasan analisis dari konfigurasi seri, yang kemudian dapat digunakan untuk menganalisis konfigurasi paralel dan seri paralel. Penggunaan dioda tetap digunakan sesuai dengan prinsip dan fungsi umumnya, dimana dioda sebagai penyearah dalam sebuah rangkaian hanya akan menghantarkan satu arus listrik ke satu arah tetapi menghambat arus listrik dari arah sebaliknya. Pada proses perangkaiaan untuk setiap area aplikasi, cukup dengan hanya menggabungkan serangkaian langkah berurutan seperti yang diterapkan pada rakitan dioda seri.
· Untuk memahami karakteristik rangkaian konfigurasi Paralel dan Seri-Paralel
· Untuk mengetahui bagaimana cara merangkai rangkaian
konfigurasi Paralel dan
Seri-Paralel.
· Menghitung tegangan dan arus dalam rangkaian Paralel
dan Seri-Paralel.
· Baterai
4.2 Problem
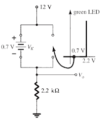
1.) Tentukan Vo dan I!
4.3 Pilihan Ganda
1. Dibawah ini yang bukan merupakan jenis diode bedasarkan fungsinya adalah …
A. Diode zener
B. diode trafo
C. diode laser
D. diode foto
E. Diode penyerah
Jawaban : B
2. Suatu semikonduktor yang hanya dapat mengantar arus listrik dan tegagan pada satu arah saja disebut ….
A. diode
B. transformator
C. kapasitor
D. Relai
E. Thyristor
Jawaban : A
3. Berapakah nilai V0 dari rangkaian berikut?
A. 2,4 V
B. 10,3V
C. 11,3 mV
D. 2,4 mV
E. 11,3 V
- Untuk membuat rangkaian ini, pertama, siapkan semua alat dan bahan yang bersangkutan, diambil dari library proteus
- Letakkan semua alat dan bahan sesuai dengan posisi dimana alat dan bahan terletak
- Tepatkan posisi letaknya dengan gambar rangkaian
- Selanjutnya, hubungkan semua alat dan bahan menjadi suatu rangkaian yang utuh
- Lalu mencoba menjalankan rangkaian, jika tidak terjadi error, maka motor akan bergerak yang berarti rangkaiannya bekerja
b B. Rangkaian Simulasi
- Rangkaian 2.28 klik disini
- Rangkaian 2.29 klik disini
- Rangkaian 2.30 klik disini
- Rangkaian 2.31 klik disini
- Rangkaian 2.32 klik disini
- Rangkaian 2.33 klik disini
- Rangkaian 2.34 klik disini
- Rangkaian 2.35 klik disini
- Rangkaian 2.36 klik disini
- Rangkaian 2.37 klik disini
- Rangkaian 2.38 klik disini
- Video rangkaian 2.28 klik disini
- Video rangkaian 2.29 klik disini
- Video Rangkaian 2.30 klik disini
- Video rangkaian 2.31 klik disini
- Video rangkaian 2.32 klik disini
- Video rangkaian 2.33 klik disini
- Video rangkaian 2.34 klik disini
- Video rangkaian 2.35 klik disini
- Video rangkaian 2.36 klik disini
- Video rangkaian 2.37 klik disini
- Video rangkaian 2.38 klik disini
- Download datasheet baterai klik disini
- Download datasheet resistor klik disini
- Download datasheet dioda klik disini
- Download datasheet voltmeter klik disini
- Download datasheet amperemeter klik disini








































Komentar
Posting Komentar